您的位置:
首頁 >
產品中心 >
軸承產品 >
LYC洛陽軸承 M249749/M249710 圓錐滾子軸承
LYC洛陽軸承 M249749/M249710 圓錐滾子軸承
品牌:LYC洛陽軸承
類型:圓錐滾子軸承
新型號:M249749/M249710
舊型號:
內徑:254 mm
外徑:358.775 mm
厚度:71.438 mm
在線詢價
技術咨詢
產品尺寸與參數

- 重量 kg
- 重量 kg
- 21.7
- 軸承代號
- 現用型號
- M249749/M249710
- 原用型號
- 計算系數
- e
- 0.33
- Y
- 1.8
- Yo
- 1
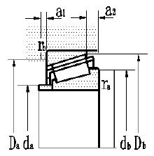
- 外形尺寸 mm
- d
- 254
- D
- 358.775
- B
- 71.438
- C
- 53.975
- T
- 71.438
- r1,2 min
- 3.5
- r3,4 min
- 3.3
- 極限轉速 r/min
- 脂
- 830
- 油
- 1040
- 安裝尺寸 mm
- da max
- 270
- db max
- 274
- Da min
- 335
- Db min
- 343
- a1
- 7.5
- a2
- 14
- ra max
- 3
- rb max
- 3
- 額定負荷 kN
- 動負荷 C
- 694
- 靜負荷 Co
- 1550
- 軸頭 mm
- 軸頭 mm
- 254
客服
工作時間:
周一至周五: 9:00-17:50
周六至周日: 休息
在線客服:
客服: 
聯系方式:
聯系電話: 0571-85807285
聯系手機: 18957175968
頂部
能看在线一级片无码