您的位置:
首頁 >
產品中心 >
軸承產品 >
LYC洛陽軸承 L68149/L68110 圓錐滾子軸承
LYC洛陽軸承 L68149/L68110 圓錐滾子軸承
品牌:LYC洛陽軸承
類型:圓錐滾子軸承
新型號:L68149/L68110
舊型號:
內徑:34.987 mm
外徑:59.131 mm
厚度:16.764 mm
在線詢價
技術咨詢
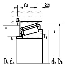
產品尺寸與參數

- 重量 kg
- 重量 kg
- 0.169
- 軸承代號
- 現用型號
- L68149/L68110
- 原用型號
- 計算系數
- e
- 0.42
- Y
- 1.44
- Yo
- 0.79
- 外形尺寸 mm
- d
- 34.987
- D
- 59.131
- B
- 16.764
- C
- 11.938
- T
- 15.875
- r1,2 min
- 3.6
- r3,4 min
- 1.3
- 極限轉速 r/min
- 脂
- 10410
- 油
- 13010
- 安裝尺寸 mm
- da max
- 39
- db max
- 45.5
- Da min
- 52
- Db min
- 56
- a1
- 3
- a2
- 4
- ra max
- 3
- rb max
- 3
- 額定負荷 kN
- 動負荷 C
- 32.2
- 靜負荷 Co
- 47.3
- 軸頭 mm
- 軸頭 mm
- 34.987
客服
工作時間:
周一至周五: 9:00-17:50
周六至周日: 休息
在線客服:
客服: 
聯系方式:
聯系電話: 0571-85807285
聯系手機: 18957175968
頂部
能看在线一级片无码