您的位置:
首頁 >
產品中心 >
軸承產品 >
ZWZ瓦房店軸承 GX180C 自潤滑關節軸承
ZWZ瓦房店軸承 GX180C 自潤滑關節軸承
品牌:ZWZ瓦房店軸承
類型:自潤滑關節軸承
新型號:GX180C
舊型號:
內徑:180 mm
外徑:320 mm
厚度:67.5 mm
在線詢價
技術咨詢
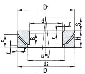
產品尺寸與參數
- 基本尺寸 mm
- d
- 180
- D
- 320
- H
- 82
- B
- 67.5
- C
- 63
- d2
- 210
- D1
- 310
- S
- 66.5
- rsmin
- 1.1
- 傾斜角度
- a°
- 8
- 徑向額定載荷 KN
- Cr
- 3700
- Cor
- 7250
- 重量 Kg
- 重量 Kg
- 52.5
- 軸承代號
- 軸承代號
- GX180C
客服
工作時間:
周一至周五: 9:00-17:50
周六至周日: 休息
在線客服:
客服: 
聯系方式:
聯系電話: 0571-85807285
聯系手機: 18957175968
頂部
能看在线一级片无码