您的位置:
首頁 >
產品中心 >
軸承產品 >
ZWZ瓦房店軸承 B7322BQ1 角接觸球軸承
ZWZ瓦房店軸承 B7322BQ1 角接觸球軸承
品牌:ZWZ瓦房店軸承
類型:角接觸球軸承
新型號:B7322BQ1
舊型號:
內徑:110 mm
外徑:240 mm
厚度:50 mm
在線詢價
技術咨詢
產品尺寸與參數

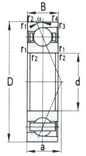
- 基本尺寸 mm
- d
- 110
- D
- 240
- B
- 50
- r 1、2 min
- 3
- r 3、4 min
- 1.1
- 軸承代號
- 軸承代號
- B7322BQ1
- 極限轉速 r/min
- 脂潤滑
- 1800
- 油潤滑
- 2400
- 重量 kg
- 重量 Kg
- 11.4
- 基本額定載荷 KN
- Cr
- 213
- Cor
- 212
- 作用點
- a
- 99.2
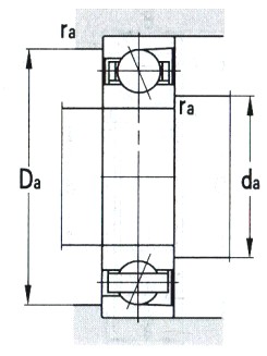
- 安裝相關尺寸 mm
- da(max)
- 124
- Da(max)
- 226
- ra(max)
- 2.5
客服
工作時間:
周一至周五: 9:00-17:50
周六至周日: 休息
在線客服:
客服: 
聯系方式:
聯系電話: 0571-85807285
聯系手機: 18957175968
頂部
能看在线一级片无码