您的位置:
首頁 >
產品中心 >
軸承產品 >
LYC洛陽軸承 32238 圓錐滾子軸承
LYC洛陽軸承 32238 圓錐滾子軸承
品牌:LYC洛陽軸承
類型:圓錐滾子軸承
新型號:32238
舊型號:
內徑:190 mm
外徑:340 mm
厚度:92 mm
在線詢價
技術咨詢
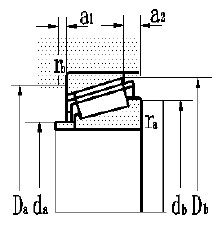
產品尺寸與參數

- 重量 kg
- 重量 kg
- 36.1
- 軸承代號
- 現用型號
- 32238
- 原用型號
- 7538E
- ISO355 系列代號
- 4GD
- 計算系數
- e
- 0.44
- Y
- 1.4
- Yo
- 0.8
- 外形尺寸 mm
- d
- 190
- D
- 340
- B
- 92
- C
- 75
- T
- 97
- r1,2 min
- 5
- r3,4 min
- 4
- 極限轉速 r/min
- 脂 r/min
- 900
- 油 r/min
- 1300
- 安裝尺寸 mm
- da max
- 208
- db max
- 208
- Da min
- 309
- Db min
- 328
- a1
- 18
- a2
- 25
- ra max
- 4
- rb max
- 3
- 額定負荷 kN
- 動負荷 C
- 1117
- 靜負荷 Co
- 1919.5
- 軸頭 mm
- 軸頭 mm
- 190
客服
工作時間:
周一至周五: 9:00-17:50
周六至周日: 休息
在線客服:
客服: 
聯系方式:
聯系電話: 0571-85807285
聯系手機: 18957175968
頂部
能看在线一级片无码