您的位置:
首頁 >
產品中心 >
軸承產品 >
LYC洛陽軸承 32208 圓錐滾子軸承
LYC洛陽軸承 32208 圓錐滾子軸承
品牌:LYC洛陽軸承
類型:圓錐滾子軸承
新型號:32208
舊型號:
內徑:40 mm
外徑:80 mm
厚度:23 mm
在線詢價
技術咨詢
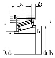
產品尺寸與參數

- 重量 kg
- 重量 kg
- 0.529
- 軸承代號
- 現用型號
- 32208
- 原用型號
- 7.51E+06
- ISO355 系列代號
- 3DC
- 計算系數
- e
- 0.37
- Y
- 1.6
- Yo
- 0.9
- 外形尺寸 mm
- d
- ?40
- D
- 80
- B
- 23
- C
- 19
- T
- 24.75
- r1,2 min
- 1.5
- r3,4 min
- 1.5
- 極限轉速 r/min
- 脂 r/min
- 4800
- 油 r/min
- 6300
- 安裝尺寸 mm
- da max
- 48
- db max
- 48
- Da min
- 72
- Db min
- 75
- a1
- 3
- a2
- 8
- ra max
- 1.5
- rb max
- 1.5
- 額定負荷 kN
- 動負荷 C
- 77.9
- 靜負荷 Co
- 97.5
- 軸頭 mm
- 軸頭 mm
- 40
客服
工作時間:
周一至周五: 9:00-17:50
周六至周日: 休息
在線客服:
客服: 
聯系方式:
聯系電話: 0571-85807285
聯系手機: 18957175968
頂部
能看在线一级片无码