您的位置:
首頁 >
產品中心 >
軸承產品 >
LYC洛陽軸承 32064/YB2 圓錐滾子軸承
LYC洛陽軸承 32064/YB2 圓錐滾子軸承
品牌:LYC洛陽軸承
類型:圓錐滾子軸承
新型號:32064/YB2
舊型號:
內徑:320 mm
外徑:480 mm
厚度:95 mm
在線詢價
技術咨詢
產品尺寸與參數

- 重量 kg
- 重量 kg
- 59
- 軸承代號
- 現用型號
- 32064/YB2
- 原用型號
- 2007164
- ISO355 系列代號
- 計算系數
- e
- 0.42
- Y
- 1.4
- Yo
- 0.8
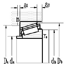
- 外形尺寸 mm
- d
- 320
- D
- 480
- B
- 95
- C
- 82
- T
- 100.7
- r1,2 min
- 5
- r3,4 min
- 4
- 極限轉速 r/min
- 脂 r/min
- 530
- 油 r/min
- 670
- 安裝尺寸 mm
- da max
- 340
- db max
- 340
- Da min
- 440
- Db min
- 468
- a1
- 14
- a2
- 20
- ra max
- 4
- rb max
- 3
- 額定負荷 kN
- 動負荷 C
- 1463
- 靜負荷 Co
- 2945
- 軸頭 mm
- 軸頭 mm
- 320
客服
工作時間:
周一至周五: 9:00-17:50
周六至周日: 休息
在線客服:
客服: 
聯系方式:
聯系電話: 0571-85807285
聯系手機: 18957175968
頂部
能看在线一级片无码