您的位置:
首頁 >
產品中心 >
軸承產品 >
HRB哈爾濱軸承 3203ANTN 角接觸球軸承
HRB哈爾濱軸承 3203ANTN 角接觸球軸承
品牌:HRB哈爾濱軸承
類型:角接觸球軸承
新型號:3203ANTN
舊型號:
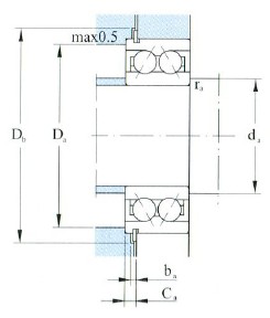
內徑:17 mm
外徑:40 mm
厚度:17.5 mm
在線詢價
技術咨詢
產品尺寸與參數
客服
工作時間:
周一至周五: 9:00-17:50
周六至周日: 休息
在線客服:
客服: 
聯系方式:
聯系電話: 0571-85807285
聯系手機: 18957175968
頂部
能看在线一级片无码