您的位置:
首頁 >
產品中心 >
軸承產品 >
LYC洛陽軸承 30219 圓錐滾子軸承
LYC洛陽軸承 30219 圓錐滾子軸承
品牌:LYC洛陽軸承
類型:圓錐滾子軸承
新型號:30219
舊型號:
內徑:95 mm
外徑:170 mm
厚度:32 mm
在線詢價
技術咨詢
產品尺寸與參數

- 重量 kg
- 重量 kg
- 0
- 軸承代號
- 現用型號
- 30219
- 原用型號
- ISO355 系列代號
- 3FB
- 計算系數
- e
- 0.42
- Y
- 1.4
- Yo
- 0.8
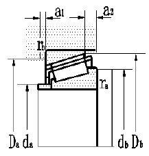
- 外形尺寸 mm
- d
- 95
- D
- 170
- B
- 32
- C
- 27
- T
- 34.5
- r1,2 min
- 3
- r3,4 min
- 2.5
- 極限轉速 r/min
- 脂 r/min
- 1900
- 油 r/min
- 2800
- 安裝尺寸 mm
- da max
- 106
- db max
- 106
- Da min
- 157
- Db min
- 163
- a1
- 5
- a2
- 10
- ra max
- 2.5
- rb max
- 2.1
- 額定負荷 kN
- 動負荷 C
- 224
- 靜負荷 Co
- 287
- 軸頭 mm
- 軸頭 mm
- 95
客服
工作時間:
周一至周五: 9:00-17:50
周六至周日: 休息
在線客服:
客服: 
聯系方式:
聯系電話: 0571-85807285
聯系手機: 18957175968
頂部
能看在线一级片无码