您的位置:
首頁 >
產品中心 >
軸承產品 >
LYC洛陽軸承 319/800X2 圓錐滾子軸承
LYC洛陽軸承 319/800X2 圓錐滾子軸承
品牌:LYC洛陽軸承
類型:圓錐滾子軸承
新型號:319/800X2
舊型號:
內徑:800 mm
外徑:1060 mm
厚度:115 mm
在線詢價
技術咨詢
產品尺寸與參數

- 重量 kg
- 重量 kg
- 275
- 軸承代號
- 現用型號
- 319/800X2
- 原用型號
- 10079/800
- ISO355 系列代號
- 計算系數
- e
- 0.35
- Y
- 1.7
- Yo
- 0.9
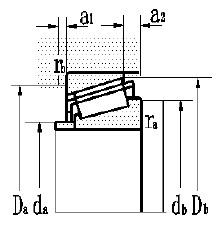
- 外形尺寸 mm
- d
- 800
- D
- 1060
- B
- 115
- C
- 89
- T
- 122
- r1,2 min
- 6
- r3,4 min
- 6
- 極限轉速 r/min
- 脂 r/min
- 130
- 油 r/min
- 170
- 安裝尺寸 mm
- da max
- 838
- db max
- 838
- Da min
- 1005
- Db min
- 1031
- a1
- 25
- a2
- 35
- ra max
- 5
- rb max
- 5
- 額定負荷 kN
- 動負荷 C
- 2132
- 靜負荷 Co
- 5530
- 軸頭 mm
- 軸頭 mm
- 800
客服
工作時間:
周一至周五: 9:00-17:50
周六至周日: 休息
在線客服:
客服: 
聯系方式:
聯系電話: 0571-85807285
聯系手機: 18957175968
頂部
能看在线一级片无码