您的位置:
首頁 >
產品中心 >
軸承產品 >
LYC洛陽軸承 27695/27620 圓錐滾子軸承
LYC洛陽軸承 27695/27620 圓錐滾子軸承
品牌:LYC洛陽軸承
類型:圓錐滾子軸承
新型號:27695/27620
舊型號:
內徑:84.976 mm
外徑:125.412 mm
厚度:25.4 mm
在線詢價
技術咨詢
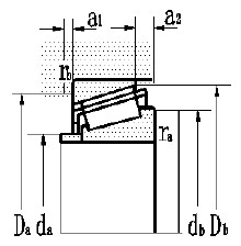
產品尺寸與參數

- 重量 kg
- 重量 kg
- 1
- 軸承代號
- 現用型號
- 27695/27620
- 原用型號
- 計算系數
- e
- 0.42
- Y
- 1.44
- Yo
- 0.79
- 外形尺寸 mm
- d
- 84.976
- D
- 125.412
- B
- 25.4
- C
- 19.845
- T
- 25.4
- r1,2 min
- 5
- r3,4 min
- 1.5
- 極限轉速 r/min
- 脂
- 2970
- 油
- 3710
- 安裝尺寸 mm
- da max
- 91
- db max
- 100
- Da min
- 115
- Db min
- 120
- a1
- 5
- a2
- 6
- ra max
- 4
- rb max
- 4
- 額定負荷 kN
- 動負荷 C
- 110
- 靜負荷 Co
- 183
- 軸頭 mm
- 軸頭 mm
- 84.976
客服
工作時間:
周一至周五: 9:00-17:50
周六至周日: 休息
在線客服:
客服: 
聯系方式:
聯系電話: 0571-85807285
聯系手機: 18957175968
頂部
能看在线一级片无码